
除二氧化碳器制作和构成
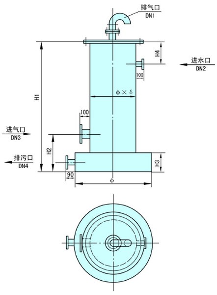
脱气塔由进水装置,填料,风机,水箱组成,进水装置一般采用母支管布水,材质根据不同的需要可以选用304绕丝管和316绕丝管,填料选用多面空心球,根据水质不同可以选用陶瓷和塑料两种,他主要是起到加大水的表面积,使二氧化碳较好的被吹脱、风机主要是提供风源,从而对水的二氧化碳进行吹脱、储水箱使处理后的水储存,可以通过增压泵打到后续的设备中,除碳器工作时,水从上部进入,经配水装置淋下,通过填料层后,从下部排入水箱,而风机的提供的风向是逆向的,即从下向上进行吹脱,通过填料层后,由顶部排出。其原理所以当鼓入除碳器的空气流和除碳水相接触时,水中CO2便会被空气流带出。